

Portable scissor lift SMDPL
性能特点
u 适合于汽修厂、车间和家庭对汽车的简易维修;
u 额定举升重量2700KG/6000LBS;
u 手动单点解锁;
u 便携式、方便移动;
u 双油缸结构;
u 安全锁可在任意高度锁定;
u 标配4个SUV适配器;
u 标配移动小车;
u 已经过115%动态载荷和150%静态载荷测试;
u CE认证
FEATURES:
u Good choice for body shop or low ceiling shop and Workshop and family.
u Full 2700 KG/6000 LBS lifting capacity.
u Manual single point lock release.
u Portable,easy to move.
u Two hydraulic cylinders.
u Safety lock at any work height.
u SUV adapters(4PCS)include.
u Separate motor stand included.
u It has adopted 115% dynamic loading capacity and 150% static loading capacity tested.
u CE certificated.
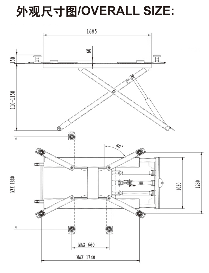
技术参数/TECHNICAL SPECIFICATION:
举升重量/Lifting capacity 2700kg/6000lbs
最大举升高度/Max.lifting height 1200mm
最小举升高度/Min.height 110mm
平台宽度/Width 1000mm
平台长度/Length 1685mm
举升时间/Lifting time 30S
电机功率/Motor power 2.2kw
电源要求/Power supply 110V/220V/380V
气源要求/Air supply 6-8bar
重量/Weight 451kg
包装尺寸/Packing size 2300*1050*230+900*400*500mm






鲁公网安备 37061102001097号